Оригинальные каталоги
 
              
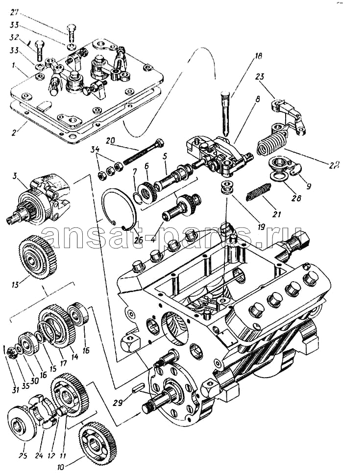
          1        
              
          2        
              
          3        
              
          4        
              
          5        
              
          6        
              
          7        
              
          8        
              
          9        
              
          10        
              
          11        
              
          12        
              
          13        
              
          14        
              
          15        
              
          16        
              
          16        
              
          17        
              
          18        
              
          19        
              
          20        
              
          21        
              
          22        
              
          23        
              
          24        
              
          25        
              
          26        
              
          27        
              
          28        
              
          29        
              
          30        
              
          31        
              
          32        
              
          33        
              
          33        
              
          34        
              
          35        
          | Позиция на иллюстрации | Заводской номер детали | Название детали | Цена | Купить | 
|---|---|---|---|---|
| 1 | 33.1110024 | Крышка регулятора верхняя в сборе | 4368 ₽ |  | 
| 2 | 33.1110026 | Прокладка верхней крышки регулятора | 32 ₽ |  | 
| 3 | 333.1110040 | Державка грузов регулятора в сборе | Нет в продаже |  | 
| 4 | 33.1110060 | Муфта регулятора | 690 ₽ |  | 
| 5 | 33.1110062 | Муфта регулятора | Нет в продаже |  | 
| 6 | 33.1110618 | Подшипник 8103 | Нет в продаже |  | 
| 7 | 1/34008/73 | Кольцо 16 стопорное | Нет в продаже |  | 
| 8 | 332.1110160-50 | Рычаги с корректорами | Нет в продаже |  | 
| 9 | 33.1110505 | Рычаг стартовой пружины | Нет в продаже |  | 
| 10 | 33.1110515-10 | Шестерня регулятора ведущая | Нет в продаже |  | 
| 11 | 33.1110516 | Шестерня | Нет в продаже |  | 
| 12 | 33.1110519-10 | Вставка | Нет в продаже |  | 
| 13 | 33.1110670 | Шестерня промежуточная в сборе | Нет в продаже |  | 
| 14 | 33.1110672 | Шестерня | Нет в продаже |  | 
| 15 | 870627-П29 | Шайба 12 | Нет в продаже |  | 
| 16 | 33.1110624 | Подшипник 201 | Нет в продаже |  | 
| 17 | 33.1110682 | Кольцо пружинное упорное | Нет в продаже |  | 
| 18 | 33.1110088 | Ось рычага регулятора | Нет в продаже |  | 
| 19 | 33.1110089 | Втулка дистанционная | Нет в продаже |  | 
| 20 | 33.1110429 | Болт регулировочный | Нет в продаже |  | 
| 21 | 332.1110448 | Пружина рычага реек | 180 ₽ |  | 
| 22 | 33.1110462-10 | Пружина регулятора | Нет в продаже |  | 
| 23 | 33.1110466 | Рычаг пружины | 1255 ₽ |  | 
| 24 | 33.1110517-10 | Сухарь ведущей шестерни | 24 ₽ |  | 
| 25 | 33.1110521 | Фланец ведущей шестерни | Нет в продаже |  | 
| 26 | 33.1110684 | Кольцо пружинное упорное | Нет в продаже |  | 
| 27 | 870003-П29 | Болт М6-6gх20 | Нет в продаже |  | 
| 28 | 870456-П15 | Шайба 16 | Нет в продаже |  | 
| 29 | 870800-П | Шпонка | Нет в продаже |  | 
| 30 | 1/05196/01 | Шайба плоская 8х17 | 5 ₽ |  | 
| 31 | 1/07344/01 | Шплинт разводной 2х25 | 1 ₽ |  | 
| 32 | 1/09026/21 | Болт М6-6gх25 | 28 ₽ |  | 
| 33 | 1/11977/71 | Шайба коническая пружинная 6х12 | Нет в продаже |  | 
| 34 | 1/58962/11 | Гайка ЕМ6-6Н | 4 ₽ |  | 
| 35 | 1/61056/11 | Гайка М8-6Н | Нет в продаже |  | 
| 36 | 33.1110545 | Втулка упорная ведущей шестерни | Нет в продаже |  | 
Содержащиеся в справочниках-каталогах запасные части и детали не предлагаются к продаже, а носят исключительно информационный характер
