Оригинальные каталоги
2111-5401061
2111-5601082
2111-5701012-10
2110-5201010
2110-5401131
2110-5401130
2110-5201027
2110-5201026
2110-5401339
2110-5401338
12599070
2111-5401060
2108-8403066
13276001
2108-8403068
2111-8404051
2111-8404050
2111-8404015
2111-8404014
2110-8403015
2110-8403014
2111-8413010
2111-5401073
2111-5401072
10519601
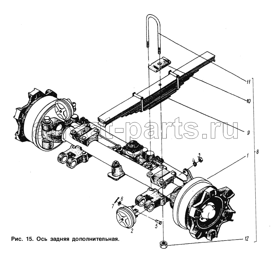
| Позиция на иллюстрации | Заводской номер детали | Название детали | Цена | Купить |
|---|---|---|---|---|
| 1 | 9389-3012005 | Ось с тормозами | Нет в продаже |
|
| 2 | 100-3519210-01 | Тормозная камера | Нет в продаже |
|
| 3 | 250561 | Гайка М16х1,5-6Н | Нет в продаже |
|
| 4 | 252139 | Шайба 16.ОТ | Нет в продаже |
|
| 5 | 260089 | Палец 12х40 | Нет в продаже |
|
| 6 | 252007 | Шайба 12 | Нет в продаже |
|
| 7 | 258052 | Шплинт 4х20 | Нет в продаже |
|
| 8 | 9389-3012002 | Ось с рессорами | Нет в продаже |
|
| 9 | 9389-2902012 | Рессора | Нет в продаже |
|
| 10 | 8925-2902412 | Накладка | Нет в продаже |
|
| 11 | 509А-2902408 | Стремянка | Нет в продаже |
|
| 12 | 375059 | Гайка М27х2-5Н6Н | 120 ₽ |
|
Содержащиеся в справочниках-каталогах запасные части и детали не предлагаются к продаже, а носят исключительно информационный характер