Оригинальные каталоги
 
              
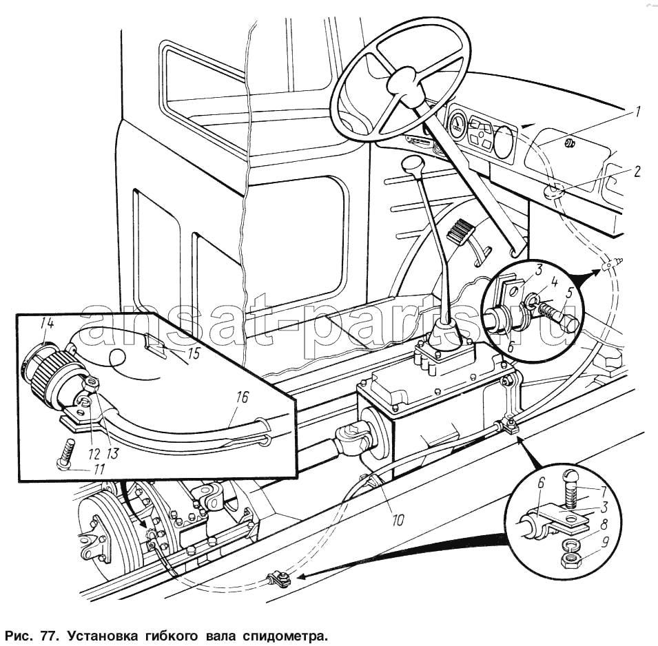
          1        
              
          2        
              
          3        
              
          3        
              
          4        
              
          5        
              
          6        
              
          6        
              
          7        
              
          8        
              
          9        
              
          10        
              
          11        
              
          12        
              
          13        
              
          14        
              
          15        
              
          16        
          | Позиция на иллюстрации | Заводской номер детали | Название детали | Цена | Купить | 
|---|---|---|---|---|
| 1 | 131-3802040-01 | Вал спидометра гибкий типа ГВ128-ЕТ в сборе | Нет в продаже |  | 
| 2 | 120-3802036 | Втулка гибкого вала спидометра проходная | Нет в продаже |  | 
| 3 | 306787-П29 | Хомут | Нет в продаже |  | 
| 4 | 252154-П2 | Шайба пружинная | Нет в продаже |  | 
| 5 | 201418-П8 | Болт | Нет в продаже |  | 
| 6 | 120-3802046 | Втулка | Нет в продаже |  | 
| 7 | 210034-П8 | Болт | Нет в продаже |  | 
| 8 | 252134-П2 | Шайба пружинная | Нет в продаже |  | 
| 9 | 250508-П8 | Гайка | Нет в продаже |  | 
| 10 | 308715-П | Скоба крепления шланга | Нет в продаже |  | 
| 10 | 308707-П52 | Скоба крепления шланга | Нет в продаже |  | 
| 11 | 220057-П8 | Винт | Нет в продаже |  | 
| 12 | 252132-П2 | Шайба пружинная | Нет в продаже |  | 
| 13 | 250462-П8 | Гайка | Нет в продаже |  | 
| 14 | 131-3802091 | Прокладка штуцера привода спидометра уплотнительная | Нет в продаже |  | 
| 15 | 309705-П | Пломба | Нет в продаже |  | 
| 16 | 130-3802042 | Направляющая гибкого вала спидометра | Нет в продаже |  | 
Содержащиеся в справочниках-каталогах запасные части и детали не предлагаются к продаже, а носят исключительно информационный характер
