Оригинальные каталоги
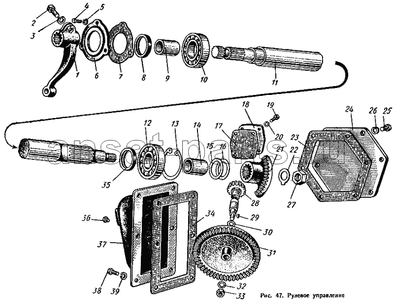
1
2
3
4
5
6
7
8
9
10
11
12
13
14
15
16
17
18
19
20
21
22
23
24
25
26
27
28
29
30
31
32
33
34
35
36
37
38
39
| Позиция на иллюстрации | Заводской номер детали | Название детали | Цена | Купить |
|---|---|---|---|---|
| ДСШ14.40.146 | ДСШ14.40.146 | Кольцо регулировочное | Нет в продаже |
|
| ДСШ14.40.147 | ДСШ14.40.147 | Кольцо регулировочное | Нет в продаже |
|
| СШ20.40.131 | СШ20.40.131 | Кольцо уплотнительное | Нет в продаже |
|
| СШ20.40.021-2 | СШ20.40.021-2 | Рулевая колонка в сборе | Нет в продаже |
|
| СШ20.40.001-1 | СШ20.40.001-1 | Рулевое управление в сборе | Нет в продаже |
|
| 1 | ДСШ14.40.136 | Рычаг | Нет в продаже |
|
| 2 | БНП-М14х55 | Болт | Нет в продаже |
|
| 3 | ШП-14Н | Шайба пружинная | Нет в продаже |
|
| 4 | БНП-М8х25 | Болт | Нет в продаже |
|
| 5 | ШП-8Н | Шайба пружинная | Нет в продаже |
|
| 6 | ДСШ14.40.135 | Крышка передняя | Нет в продаже |
|
| 7 | ДСШ14.40.134 | Прокладка передней крышки | Нет в продаже |
|
| 8 | АСК45-65-9 | Сальник каркасный | Нет в продаже |
|
| 9 | ДСШ14.40.133-1 | Втулка распорная | Нет в продаже |
|
| 10 | ГПЗ-1307 | Подшипник | Нет в продаже |
|
| 11 | СШ20.40.023 | Вал продольный в сборе | Нет в продаже |
|
| 12 | ГПЗ-1208 | Подшипник | Нет в продаже |
|
| 13 | СШ20.40.123 | Кольцо | Нет в продаже |
|
| 14 | СШ20.40.133 | Втулка распорная | Нет в продаже |
|
| 15 | СШ20.40.122 | Прокладка регулировочная | Нет в продаже |
|
| 16 | СШ20.40.120 | Прокладка регулировочная | Нет в продаже |
|
| 17 | ДСШ14.40.142-1 | Прокладка люка | Нет в продаже |
|
| 18 | ДСШ14.40.141-2 | Крышка люка боковая | Нет в продаже |
|
| 19 | БНП-М8х16 | Болт | Нет в продаже |
|
| 20 | ШП-8Н | Шайба пружинная | Нет в продаже |
|
| 21 | ДСШ14.40.118 | Сектор рулевого управления | Нет в продаже |
|
| 22 | ДСШ14.40.124-1 | Шайба стопорная сектора | Нет в продаже |
|
| 23 | СШ20.40.132 | Прокладка уплотнительная | Нет в продаже |
|
| 24 | СШ20.40.119 | Крышка | Нет в продаже |
|
| 25 | БНП-М10х20 | Болт | Нет в продаже |
|
| 26 | ШП-10Н | Шайба пружинная | Нет в продаже |
|
| 27 | ГН-М27х1,5 | Гайка | Нет в продаже |
|
| 28 | ДСШ14.40.117 | Шестерня коническая | Нет в продаже |
|
| 29 | ШВ-6х25 | Шпонка сегментная | Нет в продаже |
|
| 30 | ДСШ14.40.145 | Кольцо регулировочное | Нет в продаже |
|
| 31 | ДСШ14.40.115 | Шестерня коническая большая | Нет в продаже |
|
| 32 | ДСШ14.40.116 | Шайба стопорная | Нет в продаже |
|
| 33 | ГН-М20х1,5 | Гайка | Нет в продаже |
|
| 34 | СШ20.40.134 | Прокладка уплотнительная | Нет в продаже |
|
| 35 | АСК45-65-9 | Сальник каркасный | Нет в продаже |
|
| 36 | ПРП-1/8" | Пробка резьбовая коническая | Нет в продаже |
|
| 37 | СШ20.40.125 | Крышка | Нет в продаже |
|
| 38 | БНП-М8х20 | Болт | Нет в продаже |
|
| 39 | ШП-8Н | Шайба пружинная | Нет в продаже |
|
Содержащиеся в справочниках-каталогах запасные части и детали не предлагаются к продаже, а носят исключительно информационный характер