Оригинальные каталоги
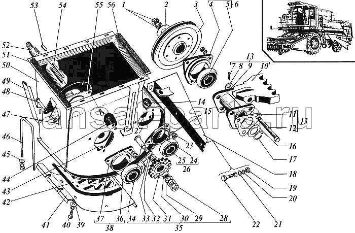
1
2
3
4
5
5
6
7
8
9
10
10
11
12
13
13
14
15
16
17
18
19
20
21
22
23
24
25
25
26
27
28
29
30
30
31
32
33
34
35
36
36
37
38
39
40
41
42
43
44
45
46
47
48
49
50
51
52
53
54
55
56
| Позиция на иллюстрации | Заводской номер детали | Название детали | Цена | Купить |
|---|---|---|---|---|
| 1 | М16-6Н.6.019 | Гайка | Нет в продаже |
|
| 2 | С16х3,9.01.019 | Шайба | Нет в продаже |
|
| 3 | РСМ-10.01.39.111 | Шкив | Нет в продаже |
|
| 4 | Н.027.105 | Корпус подшипника | Нет в продаже |
|
| 5 | 1680207К7С17 | Подшипник | Нет в продаже |
|
| 5 | 1680207К10С27 | Подшипник | Нет в продаже |
|
| 6 | Н027.01.050 | Опора | Нет в продаже |
|
| 7 | 4х28.019 | Шплинт | Нет в продаже |
|
| 8 | С16х01.019 | Шайба | Нет в продаже |
|
| 9 | РСМ-10.01.39.090 | Крестовина | Нет в продаже |
|
| 10 | РСМ-10.01.39.203Г | Лопасть или РСМ-10.01.39.101 | Нет в продаже |
|
| 10 | РСМ-10.01.39.101 | Лопасть или РСМ-10.01.39.203Г | Нет в продаже |
|
| 11 | РСМ-10.01.39.403 | Шайба стопорная | Нет в продаже |
|
| 12 | РСМ-10.01.39.602 | Ось | Нет в продаже |
|
| 13 | РСМ-10.01.39.020А | Ротор домолачивающего устройства | Нет в продаже |
|
| 14 | М8х30 | Болт | Нет в продаже |
|
| 15 | 8Т.65Г.019 | Шайба | Нет в продаже |
|
| 16 | С30х2,0.01.019 | Шайба | Нет в продаже |
|
| 17 | С30 | Кольцо ГОСТ 13942-86 | Нет в продаже |
|
| 18 | РСМ-10.01.39.150А | Кронштейн | Нет в продаже |
|
| 19 | М10-6Н.6.019 | Гайка | Нет в продаже |
|
| 20 | 10Т.65Г.019 | Шайба | Нет в продаже |
|
| 21 | С10х2,0.01.019 | Шайба | Нет в продаже |
|
| 22 | М10-8gх25.88.35.019 | Болт | Нет в продаже |
|
| 23 | М8-6Н.6.019 | Гайка | Нет в продаже |
|
| 24 | Н.027.103 | Корпус подшипника или РСМ-10.27.01.101 | Нет в продаже |
|
| 25 | 1680205К7С17 | Подшипник | Нет в продаже |
|
| 25 | 1680205К10С27 | Подшипник | Нет в продаже |
|
| 26 | Н027.01.030 | Опора подшипника | Нет в продаже |
|
| 27 | Н.166.203 | Крышка подшипника | Нет в продаже |
|
| 28 | М14-6Н.6.019 | Гайка | Нет в продаже |
|
| 29 | С14х3.01.019 | Шайба | Нет в продаже |
|
| 30 | 80440 | Втулка или 54-00781 | Нет в продаже |
|
| 30 | 54-00781 | Втулка или 80440 | Нет в продаже |
|
| 31 | 54-2-48-1 | Звездочка z=17 t=19,05 | Нет в продаже |
|
| 32 | 20х1.01.019 | Шайба | Нет в продаже |
|
| 33 | 20х2.01.019 | Шайба | Нет в продаже |
|
| 34 | 44-60219А | Ось | Нет в продаже |
|
| 35 | 54-0-52 | Звездочка натяжная | Нет в продаже |
|
| 36 | 1680206К7С17 | Подшипник или 1680206К10С27 | Нет в продаже |
|
| 36 | 1680206К10С27 | Подшипник или 1680206К7С17 | Нет в продаже |
|
| 37 | Н.027.104 | Корпус подшипника | Нет в продаже |
|
| 38 | Н.027.01.040 | Опора (для комбайнов с копнителем) | Нет в продаже |
|
| 39 | С10х3,0.01.019 | Шайба | Нет в продаже |
|
| 40 | М10-8gх20.88.35.019 | Болт | Нет в продаже |
|
| 41 | РСМ-10.01.39.120 | Обечайка | Нет в продаже |
|
| 42 | РСМ-10.01.39.202 | Дека | Нет в продаже |
|
| 43 | РСМ-10.01.39.406 | Крышка подшипника | Нет в продаже |
|
| 44 | М10х35 | Болт | Нет в продаже |
|
| 45 | С8х1,4.01.019 | Шайба | Нет в продаже |
|
| 46 | РСМ-10.01.50.606А | Вилка | Нет в продаже |
|
| 47 | 2х16.019 | Шплинт | Нет в продаже |
|
| 48 | 6-8в12х50.35.Ц9хр | Ось | Нет в продаже |
|
| 49 | РСМ-10.01.50.442А | Рукоятка | Нет в продаже |
|
| 50 | РСМ-10.01.39.010А | Корпус | Нет в продаже |
|
| 51 | РСМ-10.01.08.007А-01 | Прокладка | Нет в продаже |
|
| 52 | РСМ-10.01.39.601В | Вал | Нет в продаже |
|
| 53 | 8х7х36 | Шпонка | Нет в продаже |
|
| 54 | 8х7х100 | Шпонка | Нет в продаже |
|
| 55 | Н.166.205 | Крышка подшипника | Нет в продаже |
|
| 56 | РСМ-10.01.08.007А-02 | Прокладка | Нет в продаже |
|
Содержащиеся в справочниках-каталогах запасные части и детали не предлагаются к продаже, а носят исключительно информационный характер