Назад

Оригинальные каталоги

zoom-in zoom-out enlarge shrink circle-right circle-left file-text2 info cart
1
2
3
3
4
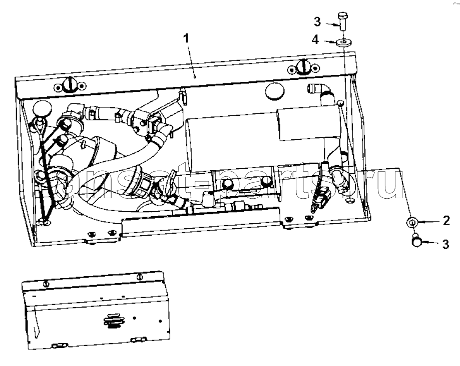
Позиция на иллюстрации Заводской номер детали Название детали Цена Купить
1 Sprinklerpumpmounted Sprinkler pump mounted Нет в продаже
2 4700904229 Washer Нет в продаже
3 4700500053 Hex. screw Нет в продаже
4 4700904640 Washer Нет в продаже
Содержащиеся в справочниках-каталогах запасные части и детали не предлагаются к продаже, а носят исключительно информационный характер