Оригинальные каталоги
1
2
3
4
5
5
6
7
8
9
10
11
12
13
14
15
16
17
18
18
19
19
20
21
22
23
24
25
26
27
28
29
30
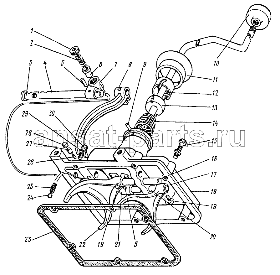
| Позиция на иллюстрации | Заводской номер детали | Название детали | Цена | Купить |
|---|---|---|---|---|
| 1 | 52-1702099 | Стопор пружины | Нет в продаже |
|
| 2 | 52-1702098 | Пружина предохранителя | Нет в продаже |
|
| 3 | 260307-П | Заглушка | Нет в продаже |
|
| 4 | 52-1702042-Б | Шток переключения заднего хода | Нет в продаже |
|
| 5 | 258948-П8 | Штифт 5х25 | Нет в продаже |
|
| 6 | 52-1702097 | Предохранитель включения заднего хода | Нет в продаже |
|
| 7 | 52-1702095-01 | Головка штока заднего хода | Нет в продаже |
|
| 8 | 52-1702092 | Вилка включения заднего хода | Нет в продаже |
|
| 9 | 258639-П18 | Штифт 6х16 | Нет в продаже |
|
| 10 | 51-1703088 | Рукоятка | Нет в продаже |
|
| 11 | 40811-1702128 | Колпак защитный | Нет в продаже |
|
| 12 | 41.010-1702126 | Колпак рычага | Нет в продаже |
|
| 13 | 40811-1702114 | Рычаг переключения передач | Нет в продаже |
|
| 14 | 41010-1702122 | Пружина рычага | Нет в продаже |
|
| 15 | 201505-П8 | Болт М10х45 | Нет в продаже |
|
| 16 | 53-1702041 | Шток переключения третьей и четвертой передач | Нет в продаже |
|
| 17 | 53-1702024-02 | Вилка переключения первой и второй передач | Нет в продаже |
|
| 18 | 53А-1702010-02 | Крышка верхняя коробки передач в сборе | Нет в продаже |
|
| 18 | 53А-1702015-02 | Крышка верхняя коробки передач | Нет в продаже |
|
| 19 | 290766-П | Винт стопорный | Нет в продаже |
|
| 20 | 53-1702060-10 | Шток переключения первой и второй передач | Нет в продаже |
|
| 21 | 52-1702025-01 | Головка штока переключения первой и второй передач | Нет в продаже |
|
| 22 | 53-1702027-22 | Вилка переключения третьей и четвертой передач | Нет в продаже |
|
| 23 | 52-1702016 | Прокладка верхней крышки | Нет в продаже |
|
| 24 | 263014-П | Шарик стопорный | Нет в продаже |
|
| 25 | АА-7234 | Пружина фиксатора | Нет в продаже |
|
| 26 | 52-1702075 | Палец стопорный | Нет в продаже |
|
| 27 | 52-1702080 | Плунжер стопорный | Нет в продаже |
|
| 28 | 52-1702089-01 | Заглушка | Нет в продаже |
|
| 29 | 252136-П2 | Шайба 10 | Нет в продаже |
|
| 30 | 201497-П8 | Болт М10х25 | Нет в продаже |
|
Содержащиеся в справочниках-каталогах запасные части и детали не предлагаются к продаже, а носят исключительно информационный характер