Оригинальные каталоги
 
              
          1        
              
          2        
              
          3        
              
          4        
              
          4        
              
          4        
              
          5        
              
          5        
              
          5        
              
          6        
              
          7        
              
          8        
              
          9        
              
          10        
              
          11        
              
          12        
              
          13        
              
          14        
              
          15        
              
          16        
              
          17        
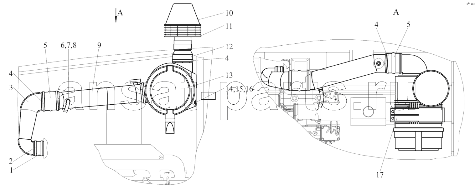
          | Позиция на иллюстрации | Заводской номер детали | Название детали | Цена | Купить | 
|---|---|---|---|---|
| 1502-1109010 | 1502-1109010 | Система очистки воздуха | Нет в продаже |  | 
| 1 | 70-81-60-02 | Рукав | Нет в продаже |  | 
| 2 | 70-90/971 | Хомут/С1аmр NORМА ТОRRО | Нет в продаже |  | 
| 3 | 1502-1109040 | Патрубок | Нет в продаже |  | 
| 4 | 100-120/971 | Хомут | Нет в продаже |  | 
| 5 | Р10-5609 | Рукав-деталь | Нет в продаже |  | 
| 5 | 270003162-А | Патрубок силиконовый Sico Rubena 270 003 162-А | Нет в продаже |  | 
| 6 | 2103-1109012 | Рукав 18x27-1,6 | Нет в продаже |  | 
| 7 | 242-3509213 | Штуцер | Нет в продаже |  | 
| 8 | 20-32/971 | Хомут | Нет в продаже |  | 
| 9 | 1502-1109020-Б | Воздуховод | Нет в продаже |  | 
| 10 | А53.21.002-02 | Колпак | Нет в продаже |  | 
| 11 | А53.21.001-02 | Патрубок | Нет в продаже |  | 
| 12 | 1502-1109030 | Патрубок | Нет в продаже |  | 
| 13 | FPG100317 | Фильтр воздушный | Нет в продаже |  | 
| 14 | БолтM8-6gx20.88.35.019 | Болт M8-6gx20.88.35.019 | Нет в продаже |  | 
| 15 | ШайбаС8.01.019 | Шайба | Нет в продаже |  | 
| 16 | 4598166046 | Шайба 8Т | Нет в продаже |  | 
| 17 | 400950525 | Кронштейн Р78-0594 | Нет в продаже |  | 
Содержащиеся в справочниках-каталогах запасные части и детали не предлагаются к продаже, а носят исключительно информационный характер
